技术参数:
SIE.O.6EP1961-3BA21.pdf
用户手册:
SITOP-Ergaenzungsmodule_zh-CHS.zip
如果对安全24V电源有特别高的要求,则有必要并联多个24V电源来实现冗余运行。
SITOP电源的冗余配置可分为两种情形:
1、完全(100%)冗余;
部分电源模块不工作时,其他电源模块仍能供应负载电流。
部分电源模块失去输入侧电源供应时,其他电源模块仍能正常供电。
2、不完全冗余:
设计系统时只考虑到电源的冗余备份,为了实现完全冗余,在系统设计时,要采用两路供电系统,分别给两个基本的直流电源供电,
使用SITOP电源冗余模块或者第三方冗余模块,或者外加解耦二极管。
注意:任意两台同型号的SITOP 24V直流电源都可通过冗余模块或解耦二极管并联来实现冗余运行。
| 订货号 | 额定输出电源 |
|
| 6EP1961-3BA21 | 40A |
|
| 6EP1964-2BA00 | 10A |
|
| 6EP1962-2BA00 | 10A | 可满足NEC CLSS2环境使用 |
用于两台电源的冗余配置时,需要保证冗余模块的总输出电流>=2组直流电源的额定电流之和。
例如:当配置2台5A的冗余电源时,需要配置1台10A的冗余模块6EP1964-2BA00

当配置2组额定电源大于5A且不大于10A的冗余电源时,可以选择2个输出为10A的冗余模块,或者1个输出为40A的冗余模块。

多于2个电源的冗余配置:使用 n+1电源进行冗余连接时,需要保证剩余的n个电源能够满足整个负载用电的需求。
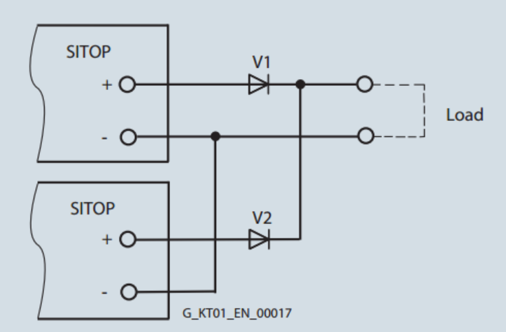
通过外加解耦二极管并联实现冗余配置:

外接解耦二极管会带来布置和接线上的麻烦,并需要考虑散热问题。为了解决二极管的发热问题,要给二极管配备适当规格的散热片。