全国统一客服热线:0755-83235757
首页 关于我们 新闻动态 产品中心 应用案例 维修与培训 资料下载 系统集成 软件工程 联系我们
你的当前位置 : 网站首页 >> 产品展示
产品展示  
SIEMENS 西门子
可编程控制器-S7-1500
可编程控制器-S7-1200
可编程PLC-S7-200 SMART
可编程控制器-S7-300
可编程控制器-S7-200
ET200 SP I/O
ET200S I/O
触摸屏-IE V3
安全型PLC
触摸屏-精简面板
触摸屏-精智面板
工业交换机
变频器
V90伺服系统
工业软件
交流异步电机
低压元件
开关电源
APT 二工
工控机
通讯电缆
多功能电表
浪涌保护器
安全继电器
Allen-Bradley
可编程控制器-PLC
运动控制
工业网络
变频器
低压电气
人机界面
状态监测
安全产品
罗克韦尔软件
1492接线端子
开关电源
Schneider 施耐德
微型断路器
塑壳断路器
按钮指示灯
中间继电器
漏电保护断路器
接触器
电涌保护器
开关电源
电机保护器
传感器
热继电器
导轨插座
Weinview威纶通触摸屏
MITSUBISHI 三菱
MELSEC-Q系列
MELSEC-L系列
MELSEC-F系列
CCLINK远程IO
变频器
塑壳(漏电保护)断路器
小型(漏电)断路器
小型断路器
接触器
ABB变频器
ABB低压元件
中间继电器
开关电源
INSEVIS 英赛维思
工业交换机
触摸屏
工业交换机
摩莎MOXA
东土KYLAND
Weidmueller
接线端子
PRO-ECO系列电源
PRO-E系列电源
PRO-M系列电源
远程IO模块
工业交换机
Rittal 威图机柜
威图机柜
TS8系列机柜
VX25系列
机柜空调
仿威图机柜
可燃有毒报警器
KingView组态王
OMRON 欧姆龙
PLC控制系统
低压电气元件
接近开关
光电传感器
开关电源
安全门锁
研华 AdvanTech
工控机
工控机主板
工业平板电脑
工业交换机
明纬开关电源
WDR导轨系列
SDR导轨系列
NDR导轨系列
EDR导轨系列
RSP平板系列
LRS平板系列
MOLEX莫仕
通讯网关
HMS(Anybus)网关
PROSOFT
AADvance SIL3
NADER上海良信
导轨插座
TAYEE 上海天逸
按钮指示灯
警示灯
凸轮开关
集合式指示灯
JACKWELL捷科
多功能电表
电流互感器
电压电流表
开关电源
负载开关
产品展示
ACQ580-04水行业专用变频器
发布时间:2020/4/17   点击次数:1183 

ACQ580-04系列功率范围为:250-500KW,是专门针对水和污水行业开发的专用型大功率变频器。

 

 

简易界面多语言控制面板:

IEC电气原理图:

R10框架安装尺寸:

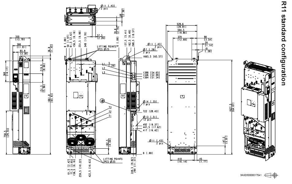
R11框架安装尺寸

ACQ-580-04 IP20安装系列选型列表:

 

ACQ-580-07柜式安装系列选型列表:

 安装尺寸:

 

  关闭窗口
上一条: ACS880-07柜体式变频器
下一条: ACQ580-01水行业专用变频器
关于我们
公司简介
组织架构
企业文化
公司资质
公司证书
产品展示
SIEMENS 西门子
Allen-Bradley
Schneider 施耐德
Weinview威纶通触摸屏
MITSUBISHI 三菱
ABB变频器
ABB低压元件
INSEVIS 英赛维思
资料下载
可编程控制器
分布式I/O
运动控制
工业网络
A-B变频器
罗克韦尔软件
人机界面
AADvance SIL3
新闻动态
西门子公司资讯
罗克韦尔自动化资讯
勤知达科技资讯
应用案例
知识库
应用案例
维修与培训
技术服务
技术培训
设备维修
工程服务
水电站
可燃有毒气体监测系统
三防水利闸群监控
水利泵站枢纽监控系统
石化库区监控系统
水厂自动化监控系统
污水处理(水质净化)自动化监控系统
食品饮料系统
版权所有 © 2014-2019  深圳市勤知达科技有限公司       技术支持:众智达网络 ICP备案:粤ICP备20021225号-1